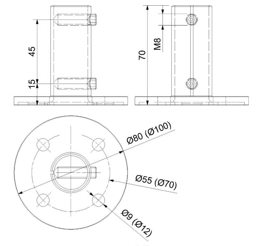
Flänsen för toppförankring av räckesstolpar ger stabilt stöd och säkerställer att stolpen sitter stadigt på plats. För förankring finns fyra hål i flänsen som tillsammans med förankringsmaterial möjliggör fastsättning mot underlaget. denna fläns har gängstift för att sammanfogas med stolpen

Material: 304, 316

Bläddra bland produktvarianter

Artikel
Färg
Mått

Offertformulär

Fyll resterande information så kontaktar vi dig gällande din offertförfrågan.