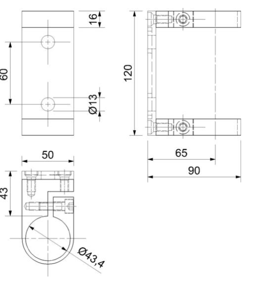
Den sidomonterade rektangulära stolpförankringen är en konstruktionsdetalj som används för att fästa stolpen stadigt. Denna typ av förankring används ofta inom arkitektur- och byggprojekt för att säkerställa räckets stabilitet och säkerhet.

Material: 304, 316

Bläddra bland produktvarianter

Artikel
Färg
Mått

Offertformulär

Fyll resterande information så kontaktar vi dig gällande din offertförfrågan.